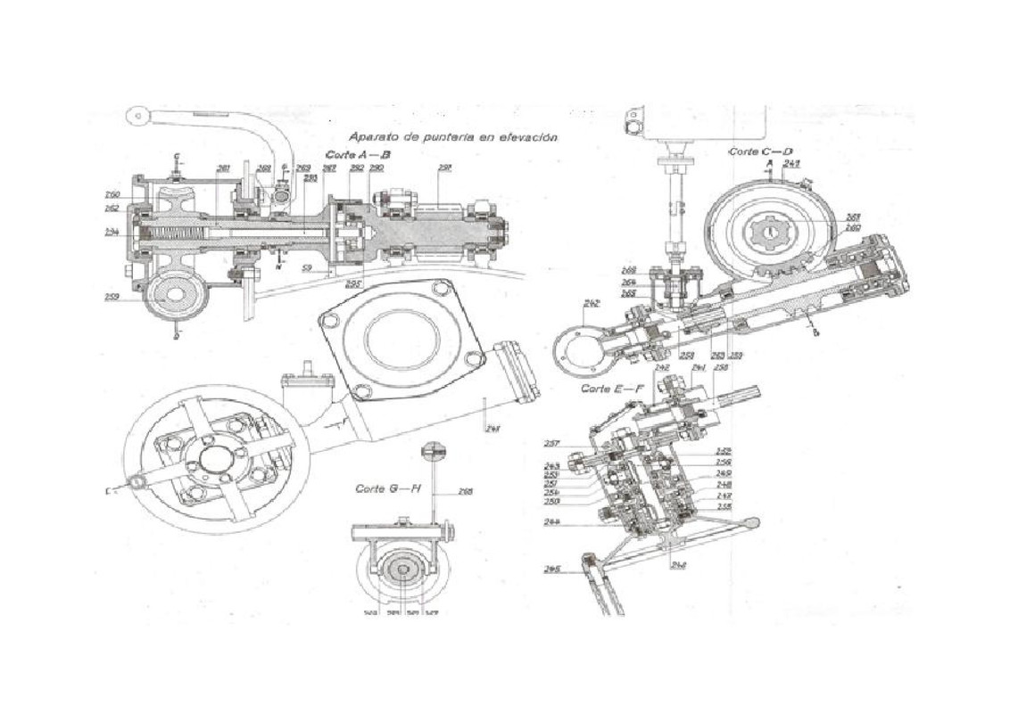
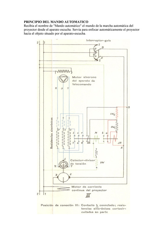
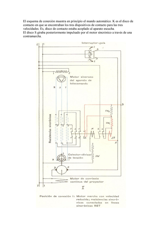
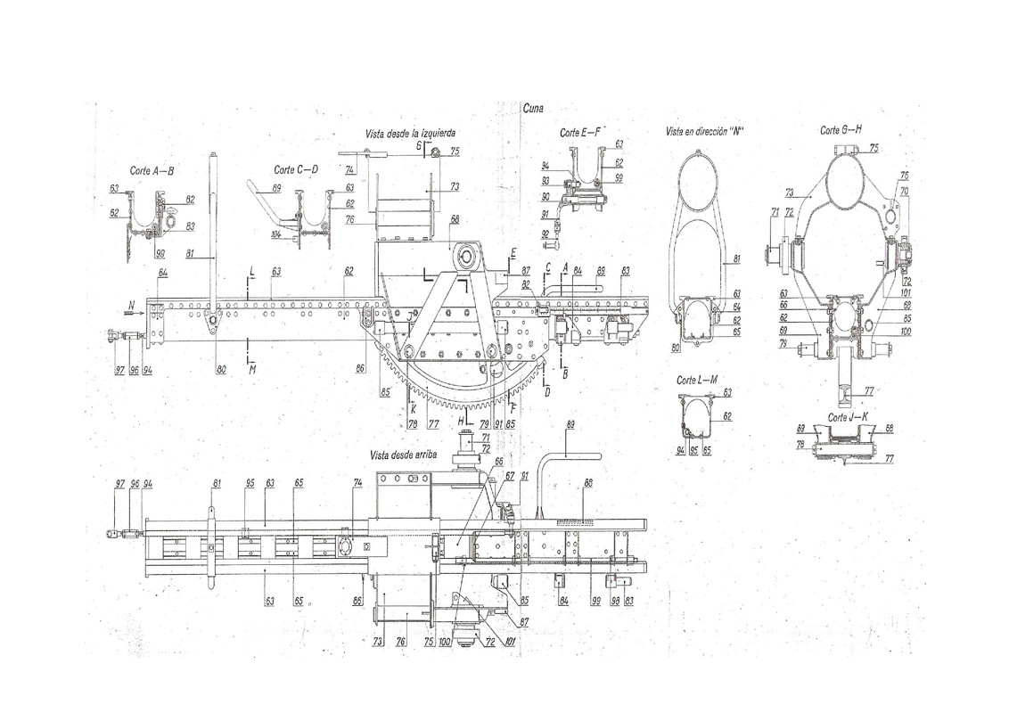
Sistemas de armas de la Armada Argentina

Base Naval Ushuaia
Krupp-88mm-Usuahia-3.jpg
 
MWAA, recién veo este tópico y tus publicaciones. No dejas de asombrar tu capacidad de recolección y de elaboración de las presentaciones.

Ahora me gustaría sugerir que, si tienes a bien recibir este granito de arena, cuando inicias un contenido que escribas unas palabras que mencionen el tema del que estás publicando. Me refiero a que haces tremenda presentación pero los buscadores no te hacen justicia (pues no reconocen el texto de las imágenes subidas) y tu trabajo no recibe la difusión que mereces.
Para ir a algo concreto, el post #33 inicia el tema del "cañón naval 102mm / 40 cal", pero eso está publicado sobre la imagen. El rótulo mismo tipeado en la publicación, incluyendo la mención de los vehículos en los que se montó (la clase "Tarantinos"/"Santa Fé" y los buques "S-1 Santa Fé", "S-2 Santiago del Estero" y "S-3 Salta") , permitirá que tu investigación sea encontrada en el foro, sino en otros buscadores (como Google) también.
Soy un gran admirador de tu trabajo, espero que no te tomes a mal este detalle.

Saludos
 
Arriba